Unit of Measure
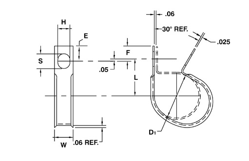
Clamping Diameter (D1) ±.031 |
N/A 1.000 " |
Hole Diameter (H) ±.005 |
N/A 0.406 " |
Width (W) ±.010 |
N/A 0.625 " |
Hole Center To End (E) ±.015 |
N/A 0.312 " |
Slot Center To End (F) ±.015 |
N/A 0.359 " |
Slot Length (S) ±.020 |
N/A 0.500 " |
Center To Center (L) ±.031 |
N/A 1.000 " |
Material |
N/A Steel - ASTM A1008 CS Type B |
Cushion |
N/A Black Vinyl per ASTM D2287 |
Available Finishes |
N/A
CFV0409Z1 - G90 Per ASTM A653/A653M CFV0409Z2 - .0002 min Zinc clear |
RoHS 3 Compliant |
N/A Yes |
REACH Compliant |
N/A Yes |

